Циркулационна помпа Grundfos ALPHA2 25-60 180 AUTOADAPT
350,23 € (685.00 лв.)
Grundfos ALPHA2 25-60 180 AUTOADAPT е високоефективна циркулационна помпа с потопен ротор за битови отоплителни системи.
Избирайки нас за ваш надежден партньор във водоснабдяването, Вие получавате:
За информация и поръчки по телефона, моля, обадете се на номер
0876 777 442 или 0895 832 814
Циркулационна помпа Grundfos ALPHA2 25-60 180 AUTOADAPT
350,23 € (685.00 лв.)
Циркулационна помпа Grundfos ALPHA2 25-60 180 AUTOADAPT
Високоефективна циркулационна помпа с потопен ротор за битови отоплителни системи.
EEI индекс значително под изискванията на ErP гарантира ниска консумация и надеждна работа.
Особености
- AUTOADAPT – автоматично настройва работата спрямо реалната топлинна нужда за максимален комфорт при минимална енергия
- Автоматичен нощен режим за допълнителна икономия
- Ръчен „Летен режим“ – осигурява сигурен старт в началото на отоплителния сезон
- Еднобутонно управление – интуитивен избор на режими
- Без външна моторна защита – по-бърз монтаж; висок стартов въртящ момент
- Безподдръжкова конструкция – потопен ротор и устойчиви материали
- ALPHA щекер – бързо електрическо свързване
- Изолационни кожуси в комплекта – минимизиране на топлинните загуби
- Хидронно балансиране чрез временен ALPHA Reader и приложението Grundfos GO Balance
Режими на управление
- Пропорционално налягане (3 настройки)
- Постоянно налягане (3 настройки)
- Постоянна крива (3 настройки)
Дисплей и индикации
- Показва реална мощност (W) или реален дебит (m³/h)
- Светодиодни индикации за работно състояние, аларми и предупреждения
Технически данни
- Максимален напор: 60 dm (≈ 6,0 m)
- Температурен клас на флуида: 110
- Одобрения: CE, VDE, EAC, RCM
- Модел: E
Материали
- Корпус: чугун EN-GJL-150 (ASTM A48-150B)
- Работно колело: PES 30% GF
Инсталиране
- Околна температура: 0 … 40 °C
- Максимално работно налягане: 10 bar (PN 10)
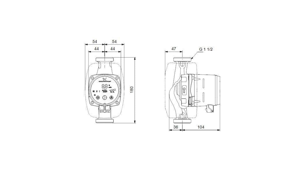
- Тръбна връзка: G 1 1/2
- Монтажна дължина: 180 mm
Работна течност
- Флуид: вода
- Температурен диапазон: 2 … 110 °C (избрана 60 °C)
- Плътност (референтна): 983.2 kg/m³
Електрически данни
- Входна мощност (P1): 3 … 34 W
- Захранване: 1 × 230 V
- Честота: 50 / 60 Hz
- Макс. ток: 0.04 … 0.32 A
- Степен на защита: IP X4D
- Клас на изолация: F
- Вградена моторна защита: няма; термична защита: ELEC
- Позиция на клемната кутия: 6H
Управление
- Вграден честотен преобразувател за управление на оборотите
- Автоматична нощна редукция: включена
Други
- Енергиен индекс (EEI): 0.17
- Нето тегло: 2.01 kg
Марка
Grundfos
Помпите на марка Grundfos са известни с високата си надеждност, енергийна ефективност и дълъг живот. Grundfos предлага широка гама от решения за битови, търговски и индустриални приложения, включително циркулационни помпи, потопяеми помпи и бустерни системи. С иновативните технологии и интелигентните си функции, помпите Grundfos осигуряват оптимално водоснабдяване и управление на водата, като същевременно намаляват разходите за енергия. Изберете Grundfos за висококачествени и устойчиви решения за вашите нужди в областта на водоподаването и водоотвеждането.


