Grundfos CRN 5-5 A-P-A-E-HQQE 3x400V Многостъпална помпа 🔴 Доставка по заявка
1216,87 € (2,380.00 лв.)
За информация и поръчки по телефона, моля, обадете се на номер 0876 777 4420
Grundfos CRN 5-5 A-P-A-E-HQQE 3x400V Многостъпална помпа 🔴 Доставка по заявка
1216,87 € (2,380.00 лв.)
CRN 5-5 A-P-A-E-HQQE
Вертикална, многостъпална центробежна помпа с входен и изходен отвори на едно и също ниво (проточна). Материалите на
помпата в контакт с течността са от легирана неръждаема стомана. Пакетното уплътнение на вала гарантира висока
надеждност, безопасно пренасяне и лесен достъп и обслужване. Силовата предавка се извършва през твърд съединител.
Връзката с тръбната инсталация става чрез съединения PJE (Victaulic®).
Помпата е снабдена с 3-фазен, охлаждан чрез вентилатор асинхронен двигател с долно монтиране
Технически данни
Течност:
Работен флуид: Вода
Диапазон на температурата на течността: -20 .. 120 °C
Избрана температура на течността: 20 °C
Плътност: 998.2 kg/m³
Технически:
Скорост на помпата, на която се базират данните за помпата: 2864 rpm
Актуален калкулиран поток: 5.843 м³/ч
Резултатен напор на помпата: 24.49 m
Ориентация на помпата: Вертикална
Подреждане на уплътненията на вала: Единично
Код за уплътнението на вала: HQQE
Одобрения върху типовата табелка: CE, EAC,ACS
Толеранс на кривите: ISO9906:2012 3B
Материали:
Основа: Неръждаема стомана
EN 1.4408
AISI 316
Работно колело: Неръждаема стомана
EN 1.4401
AISI 316
Лагер: SIC
Инсталиране:
Maximum ambient temperature: 60 °C
Максимално работно налягане: 25 bar
Макс. налягане при посочената температура: 25 bar / 120 °C
25 bar / -20 °C
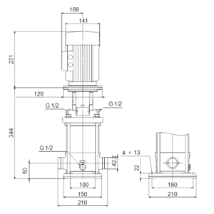
Тип връзка: PJE
Размер на входната връзка: DN 32
Размер на изходната връзка: DN 32
Номинални налягания за тръбните връзки: PN 50
Размер на фланеца за мотора: FT100
Електрич. данни:
Стандарт за мотора: IEC
Тип мотор: 80A
IE клас на ефективност: IE3
Номинална мощност на вала на двигателя – Р2: 0.75 kW
Мощност (Р2), изисквана от помпата: 0.75 kW
Основна честота: 50 Hz
Номинално напрежение: 3 x 220-240D/380-415Y V
Номинален ток: 3.30/1.90 A
Стартов ток: 580-620 %
Косинус фи – фактор на мощността: 0.81-0.71
Номинална скорост: 2840-2870 rpm
Ефективност: IE3 80,7%
Ефективност на двигателя при пълен товар: 80.7 %
Ефективност на двигателя при 3/4 товар: 82.7 %
Ефективност на двигателя при 1/2 товар: 81.7 %
Брой на полюсите: 2
Степен на зашитеност (IEC 34-5): 55 Dust/Jetting
Изолационен клас (IEC 85): F
Мотор номер: 85U05104
Контроли:
Frequency converter: НЯМА
Други:
Минимален индекс на ефективност, MEI =: 0.57
Нетно тегло: 21.2 kg
Брутно тегло: 23.9 kg
Обем за спедиране: 0.063 m³




