Хидрофор Wilo HWJ 204 50л.
409,03 € (800,00 лв.)
Избирайки нас за ваш надежден партньор във водоснабдяването, Вие получавате:
За информация и поръчки по телефона, моля, обадете се на номер
0876 777 442 или 0895 832 814
Хидрофор Wilo HWJ 204 50л.
409,03 € (800,00 лв.)
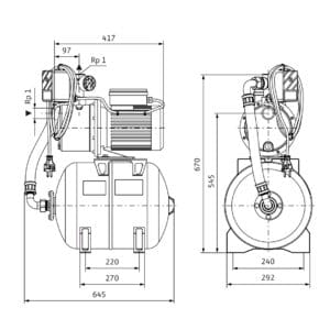
HWJ 204 50л.
Компактна хидрофорна система с центробежна помпа с хоризонтален смукател и вертикален нагнетател, състояща се от:
Самозасмукваща, едностъпална джет помпа с непрекъснат вал мотор-помпа и независимо от посоката на въртене механично уплътнение. Монофазен или трифазен мотор с директно фланцово присъединяване, с вградено термореле за моторна защита и кондензатор при монофазното изпълнение, мембранен разширителен съд 50 л.
Управление на помпата посредством команден блок с разширителен мембранен съд, реле за налягане и манометър (0 – 6 bar). Всички части в допир с флуида са устойчиви на корозия.
Помпената система е заводски сглобена и окабелена с 2 m кабел и щепсел. Изключително подходяща за използване в сферата на градинарството или любителските занимания. При трифазното изпълнение свързването става чрез клемна кутия.
Материали
Корпус на помпата: 1.4301
Работно колело: 1.4301
Вал на помпата: 1.4005 [AISI416]
Механично уплътнение: Графит/керамика
Степенни камери: Noryl
Diffuser/Injector: Noryl
Уплътнение: NBR
Допустими работни флуиди (други флуиди при запитване)
Чиста вода без утайки: •
Производствена вода, вода за охлаждане и климатизация, дъждовна вода: •
Дъждовна вода: −
Хидравлична мощност
Номинална работна точка: Q = 2.0 куб.м./час при налягане 3,5 bar
Височина на засмукване макс.: 8 M
Входно налягане макс.: 1 bar
Температура на флуида: +5…+35 °C
Температура на околната среда макс.: 40 °C
Стандартно изпълнение за работно налягане: 6 bar
Ел. захранване 1~, стандартно изпълнение: 230 V
Мрежова честота: 50 Hz
Номинална скорост: 2850 1/min
Мотор/електроника Степен на защита: IP 44
Клас на изолация: B
Консумирана мощност: 1,3 kW
Тръбни съединения
Присъед. размер, от страна на нагнетателя: Rp 1
Присъед. размер, от смукателната страна: G 1
Информация за поръчки
Тегло прибл.: 18 kg
Модел: HWJ 204 X EM
Кат. №: 2951638
Марка
Wilo
За да публикувате ревю, трябва да сте logged in.





Отзиви
Все още няма отзиви.