Циркулационна помпа Grundfos ALPHA3 25-40 180
368,13 € (720,00 лв.)
Grundfos ALPHA3 25-40 180 е циркулационна помпа, предназначена за отоплителни системи, и се управлява изцяло с приложението Grundfos GO Remote, което позволява лесно хидравлично балансиране на радиаторни системи и системи за подово отопление.
Избирайки нас за ваш надежден партньор във водоснабдяването, Вие получавате:
За информация и поръчки по телефона, моля, обадете се на номер
0876 777 442 или 0895 832 814
Циркулационна помпа Grundfos ALPHA3 25-40 180
368,13 € (720,00 лв.)
Циркулационна помпа Grundfos ALPHA3 25-40 180
Високоефективна циркулационна помпа с потопен ротор за отоплителни системи, с енергиен индекс (EEI)
значително под изискванията на ErP. Вграденото Bluetooth радио позволява пълно управление и пуск
през приложението Grundfos GO Remote, а директната връзка с GO Balance осигурява бърз
хидравличен баланс.
Основни предимства
- Bluetooth управление чрез Grundfos GO Remote (конфигуриране, пуск, поддръжка, журнал/аларми)
- GO Balance – водено хидронно балансиране за радиаторни и подови системи
- AUTOADAPT в режими „Радиатори“ и „Подово отопление“ – оптимален комфорт при минимална енергия
- План/Лято с часовник в реално време – задаване на време за работа/стоп за икономия
- Висок стартов въртящ момент – надежден пуск след дълъг престой или при замърсяване
- Защита от работа на сухо при пуск и в нормална работа
- Конструкция с потопен ротор – без поддръжка; изолационни кожуси в комплекта
- ALPHA щекер – бързо и лесно електрическо свързване
Режими на управление
- Пропорционално налягане (инкрементална настройка на работната точка)
- Постоянно налягане (инкрементална настройка)
- Постоянна крива (инкрементална настройка)
Интерфейс и индикации
- Дисплей с показване на реална мощност (W) или реален дебит (m³/h)
- LED индикации за работно състояние, предупреждения и аларми
Конструкция
- Едно цяло устройство (помпа+мотор) без уплътнение на вала; лагерите се смазват от флуида
- Корпус и глава – електролитно полирани за повишена корозионна устойчивост
- Синхронен мотор с постоянен магнит и вграден честотен преобразувател
- Самообезвъздушаване през системата за лесен пуск
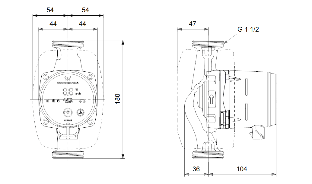
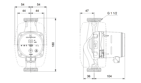
Технически данни
- Максимален напор: 40 dm (≈ 4,0 m)
- Температурен клас на флуида: 110
- Одобрения: VDE, CE, EAC
- Модел: B
Материали
- Корпус на помпата: чугун EN-GJL-150 (ASTM A48-150B)
- Работно колело: PES 30% GF
Инсталиране
- Околна температура: 0 … 40 °C
- Максимално работно налягане: 10 bar (PN 10)
- Тръбна връзка: G 1 1/2
- Монтажна дължина: 180 mm
Работна течност
- Флуид: вода
- Температурен диапазон: 2 … 110 °C (примерна избрана: 60 °C)
- Плътност (реф.): 983.2 kg/m³
Електрически данни
- Входна мощност (P1): 3 … 18 W
- Захранване: 1 × 230 V
- Честота: 50 / 60 Hz
- Макс. токова консумация: 0.04 … 0.18 A
- Степен на защитеност: IP X4D
- Клас на изолация: F
- Вградена моторна защита: няма; термична защита: ELEC
- Позиция на терминалната кутия: 6H
Енергийна ефективност
- EEI: 0.15 (≤ 0.20 – клас най-висока ефективност за циркулационни помпи)
Други
- Нето тегло: 1.98 kg
![Grundfos ALPHA3 25-40 180 е циркулационна помпа, предназначена за отоплителни системи, и се управлява изцяло с приложението Grundfos GO Remote, което позволява лесно хидравлично балансиране на радиаторни системи и системи за подово отопление. <hr /> Избирайки нас за ваш надежден партньор във водоснабдяването, Вие получавате: <div class="group/conversation-turn relative flex w-full min-w-0 flex-col agent-turn"> <div class="flex-col gap-1 md:gap-3"> <div class="flex flex-grow flex-col max-w-full"> <div class="min-h-[20px] text-message flex w-full flex-col items-end gap-2 whitespace-pre-wrap break-words [.text-message+&]:mt-5 overflow-x-auto" dir="auto" data-message-author-role="assistant" data-message-id="5f350cb7-44ce-4fd3-8a82-2321589a029e"> <div class="flex w-full flex-col gap-1 empty:hidden first:pt-[3px]"> <div class="markdown prose w-full break-words dark:prose-invert dark"> <ul> <li><strong>Качество</strong> - Предлагаме продукти от доказани и утвърдени производители.</li> <li><strong>Професионализъм</strong> - Нашият екип е съставен от опитни професионалисти, готови да Ви съдействат по всяко време.</li> <li><strong>Бърза доставка</strong> - Сигурна и експресна доставка до вашия адрес.</li> <li><strong>14-дневен срок за връщане</strong> - Ако не сте доволни от покупката си, имате 14 дни да я върнете безпроблемно.</li> </ul> </div> </div> </div> </div> </div> </div> <blockquote> <h5><strong>За </strong><strong>информация и </strong><strong>поръчки по телефона, моля, обадете се на номер <a style="color: #f16e00;" href="tel:0876777442">0876 777 442</a> или <a style="color: #f16e00;" href="tel: 0895832814">0895 832 814</a></strong></h5> </blockquote> <blockquote> <h6></h6> </blockquote> YouTube player](https://i.ytimg.com/vi/rUCHTxv6M5w/maxresdefault.jpg)
Марка
Grundfos
Помпите на марка Grundfos са известни с високата си надеждност, енергийна ефективност и дълъг живот. Grundfos предлага широка гама от решения за битови, търговски и индустриални приложения, включително циркулационни помпи, потопяеми помпи и бустерни системи. С иновативните технологии и интелигентните си функции, помпите Grundfos осигуряват оптимално водоснабдяване и управление на водата, като същевременно намаляват разходите за енергия. Изберете Grundfos за висококачествени и устойчиви решения за вашите нужди в областта на водоподаването и водоотвеждането.
За да публикувате ревю, трябва да сте logged in.





Отзиви
Все още няма отзиви.