Многостъпална помпа Grundfos CM 1-2 230V
350,23 € (685.00 лв.)
Grundfos CM 1-2 – компактна и енергийно ефективна многостепенна помпа с дебит 1.7 м³/ч и напор 11.98 m. Идеална за битови и леки индустриални приложения с 1-фазово захранване и корпус от чугун.
Избирайки нас за ваш надежден партньор във водоснабдяването, Вие получавате:
За информация и поръчки по телефона, моля, обадете се на номер
0876 777 442 или 0895 832 814
Многостъпална помпа Grundfos CM 1-2 230V
350,23 € (685.00 лв.)
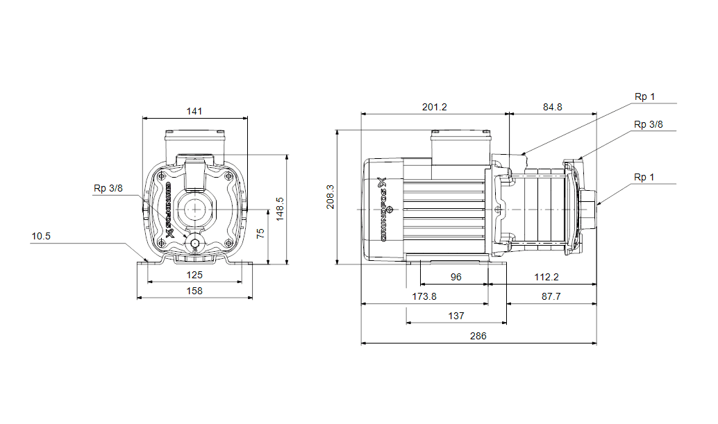
Многостепенна центробежна помпа Grundfos CM 1-2 A-R-A-E-AQQE C-A-A-N
Компактна, надеждна многостепенна центробежна помпа с крайно всмукване, предназначена за водоснабдяване, битови и леки индустриални приложения. Подходяща за инсталации, където са важни компактните размери и надеждността при нисък до среден дебит.
Конструкция и материали
- Вал, работни колела и камери: Неръждаема стомана (EN 1.4301 / AISI 304)
- Корпус: Чугун (EN-GJL-200 / ASTM A48-25A)
- Уплътнение на вала: Небалансирано с О-пръстен, код AQQE
- Връзка: Вътрешни резби Whitworth Rp (ISO 7/1)
Работни характеристики
- Работен флуид: Вода
- Температурен диапазон на течността: -20 до 90 °C
- Номинален дебит: 1.7 м³/ч
- Номинален напор: 11.98 m
- Скорост на въртене: 2900 rpm
Електрически характеристики
- Тип двигател: Асинхронен, 1-фазен, охлаждан чрез вентилатор
- Размер на рамата: 71A
- Мощност: 0.3 kW
- Напрежение: 220-240 V
- Честота: 50 Hz
- Номинален ток: 1.8–2.4 A
- Стартов ток: 340 %
- Скорост на двигателя: 2800–2830 rpm
- Степен на защита: IP55
- Клас на изолация: F
- Вградена защита: Термичен ключ (би-метален)
- Кабел: Не е включен
Инсталиране
- Тип монтаж: Хоризонтален
- Размер на входната връзка: 1 inch
- Размер на изходната връзка: 1 inch
- Позиция на изхода: 12
Сертификати и стандарти
- Одобрения: CE, WRAS, ACS, EAC
- Толеранс на кривите: ISO9906:2012 3B
Допълнителни параметри
- Минимален индекс на ефективност (MEI): 0.7
- Диапазон на околната температура: -20 до 55 °C
- Максимално работно налягане: 10 bar
- Макс. налягане при 90 °C: 10 bar
Тегло и опаковка
- Нетно тегло: 11 kg
- Брутно тегло: 13.5 kg
Марка
Производител Grundfos Дания
Помпите на марка Grundfos са известни с високата си надеждност, енергийна ефективност и дълъг живот. Grundfos предлага широка гама от решения за битови, търговски и индустриални приложения, включително циркулационни помпи, потопяеми помпи и бустерни системи. С иновативните технологии и интелигентните си функции, помпите Grundfos осигуряват оптимално водоснабдяване и управление на водата, като същевременно намаляват разходите за енергия. Изберете Grundfos за висококачествени и устойчиви решения за вашите нужди в областта на водоподаването и водоотвеждането.
За да публикувате ревю, трябва да сте logged in.





Отзиви
Все още няма отзиви.