Многостъпална помпа Grundfos CR 5-7 A-A-A-E-HQQE 3x400V
1050,70 € (2,055.00 лв.)
За информация и поръчки по телефона, моля, обадете се на номер 0876 777 4420
Многостъпална помпа Grundfos CR 5-7 A-A-A-E-HQQE 3x400V
1050,70 € (2,055.00 лв.)
Grundfos CR 5-7 A-A-A-E-HQQE 3x400V
Вертикална, многостъпална центробежна помпа с входен и изходен отвори на едно и също ниво (проточна). Главата и
рамата на попата са от чугун, а всички други мокри части са от неръждаема стомана. Пакетното уплътнение на вала
гарантира висока надеждност, безопасно пренасяне и лесен достъп и обслужване. Силовата предавка се извършва през
твърд съединител.
Помпата е снабдена с 3-фазен, охлаждан чрез вентилатор асинхронен двигател с долно монтиране.
Течност:
Работен флуид: Вода
Диапазон на температурата на течността: -20 .. 120 °C
Избрана температура на течността: 20 °C
Плътност: 998.2 kg/m³
Технически:
Скорост на помпата, на която се базират данните за помпата: 2853 rpm
Актуален калкулиран поток: 5.73 м³/ч
Резултатен напор на помпата: 34.43 m
Ориентация на помпата: Вертикална
Подреждане на уплътненията на вала: Единично
Код за уплътнението на вала: HQQE
Одобрения върху типовата табелка: CE, EAC,ACS
Толеранс на кривите: ISO9906:2012 3B
Материали:
Основа: Чугун
EN 1561 EN-GJL-200
ASTM A48-25B
Работно колело: Неръждаема стомана
EN 1.4301
AISI 304
Лагер: SIC
Инсталиране:
Maximum ambient temperature: 60 °C
Максимално работно налягане: 16 bar
Макс. налягане при посочената температура: 16 bar / 120 °C
16 bar / -20 °C
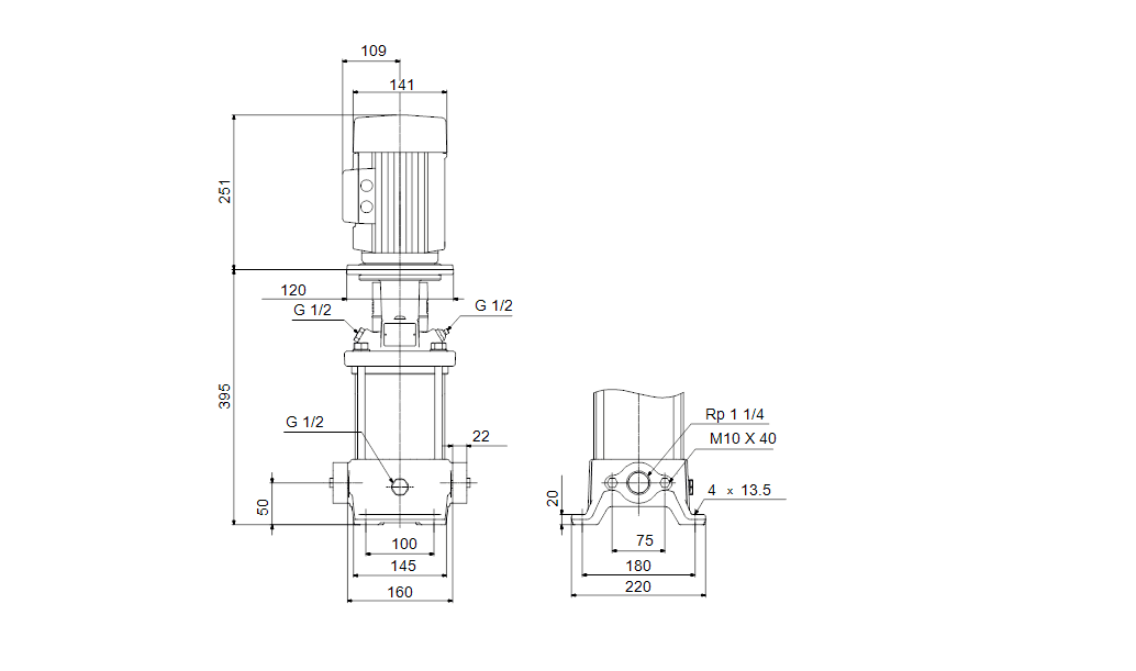
Тип връзка: Oval / Rp
Размер на входната връзка: 1 1/4 inch
Размер на изходната връзка: 1 1/4 inch
Номинални налягания за тръбните връзки: PN 16
Размер на фланеца за мотора: FT100
Електрич. данни:
Стандарт за мотора: IEC
Тип мотор: 80C
IE клас на ефективност: IE3
Номинална мощност на вала на двигателя – Р2: 1.1 kW
Мощност (Р2), изисквана от помпата: 1.1 kW
Основна честота: 50 Hz
Номинално напрежение: 3 x 220-240D/380-415Y V
Номинален ток: 4.35/2.50 A
Стартов ток: 450-500 %
Косинус фи – фактор на мощността: 0.83-0.76
Номинална скорост: 2840-2870 rpm
Ефективност: IE3 82,7%
Ефективност на двигателя при пълен товар: 82.7 %
Ефективност на двигателя при 3/4 товар: 84.6 %
Ефективност на двигателя при 1/2 товар: 85.4 %
Брой на полюсите: 2
Степен на зашитеност (IEC 34-5): 55 Dust/Jetting
Изолационен клас (IEC 85): F
Мотор номер: 85U05105
Контроли:
Frequency converter: НЯМА
Други:
Минимален индекс на ефективност, MEI =: 0.57
Нетно тегло: 25.7 kg
Брутно тегло: 28.6 kg
Марка
Производител Grundfos Дания
Помпите на марка Grundfos са известни с високата си надеждност, енергийна ефективност и дълъг живот. Grundfos предлага широка гама от решения за битови, търговски и индустриални приложения, включително циркулационни помпи, потопяеми помпи и бустерни системи. С иновативните технологии и интелигентните си функции, помпите Grundfos осигуряват оптимално водоснабдяване и управление на водата, като същевременно намаляват разходите за енергия. Изберете Grundfos за висококачествени и устойчиви решения за вашите нужди в областта на водоподаването и водоотвеждането.
За да публикувате ревю, трябва да сте logged in.





Отзиви
Все още няма отзиви.