Центробежна хоризонтална помпа Grundfos NS 5-60 1x230V
434,60 € (850.00 лв.)
За информация и поръчки по телефона, моля, обадете се на номер 0876 777 4420
Центробежна хоризонтална помпа Grundfos NS 5-60 1x230V
434,60 € (850.00 лв.)
Grundfos NS 5-60 1x230V
Едностъпалната хоризонтална центробежна помпа NS на Grundfos се характеризира с чугунен корпус и композитни или чугунени работни колела за продължителна и надеждна работа. NS на Grundfos са нормално засмукващи помпи, подходящи за множество приложения в частни жилища и леката промишленост. Помпата е с изцяло затворен, охлаждан с вентилатор асинхронен мотор. Роторът е монтиран на преоразмерени и гресирани за целия експлоатационен период сачмени лагери, осигуряващи тиха работа и дълъг живот.
Фаза: монофазните помпи имат вградена защита срещу претоварване и кондензатор, който е постоянно включен във веригата.
Течност:
Работен флуид: Вода
Диапазон на температурата на течността: -15 .. 110 °C
Избрана температура на течността: 20 °C
Плътност: 998.2 kg/m³
Технически:
Актуален калкулиран поток: 5.653 м³/ч
Резултатен напор на помпата: 47.53 m
Първично уплътнение на вала: CVBP
Одобрения върху табелката: CE,EAC,C-TICK,WEEE
Толеранс на характеристиката: ISO9906:2012 3B
Материали:
Помпен корпус: Чугун
Работно колело: Композит
Инсталиране:
Диапазон на околната температура: 0 .. 40 °C
Максимално работно налягане: 8 bar
Максимално допустимо входно налягане: 2 bar
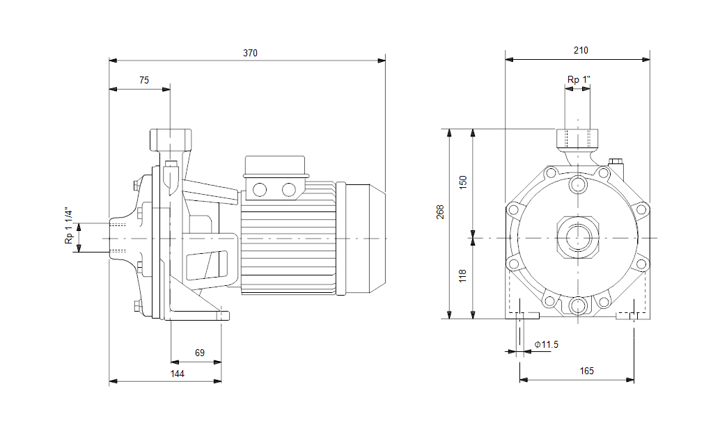
Помпен вход: Rp 1 1/4″
Изход на помпата: Rp 1″
Електрич. данни:
Входна мощност – Р1: 2.7 kW
Основна честота: 50 Hz
Номинално напрежение: 1 x 220-240 V
Номинален ток: 12.8 A
Размер на кондензатора – работен: 40 µF/450 V
Степен на зашитеност (IEC 34-5): IP44
Изолационен клас (IEC 85): F
Други:
Нето тегло: 25 kg
Доставка по заявка!
За да публикувате ревю, трябва да сте logged in.



Отзиви
Все още няма отзиви.