Многостъпална помпа Grundfos CM 3-3 230V
396,25 € (775.00 лв.)
Grundfos CM 3-3 – компактна многостепенна помпа с дебит 3.1 м³/ч и напор 20.6 m. Неръждаема хидравлика, чугунен корпус и мощност 0.5 kW. Идеална за водоснабдяване с повишени изисквания.
Избирайки нас за ваш надежден партньор във водоснабдяването, Вие получавате:
За информация и поръчки по телефона, моля, обадете се на номер
0876 777 442 или 0895 832 814
Многостъпална помпа Grundfos CM 3-3 230V
396,25 € (775.00 лв.)
Многостъпална помпа Grundfos CM 3-3 230V
Компактна и надеждна многостепенна центробежна помпа с аксиален смукателен вход и радиален нагнетателен изход. Подходяща за приложения с повишена нужда от дебит и напор. Изградена от устойчиви материали и с 1-фазен мотор, охладен чрез вентилатор.
Конструкция и материали
- Вал, работни колела и камери: Неръждаема стомана (EN 1.4301 / AISI 304)
- Корпус: Чугун (EN-GJL-200 / ASTM A48-25A)
- Уплътнение на вала: AQQE – небалансирано с О-пръстен
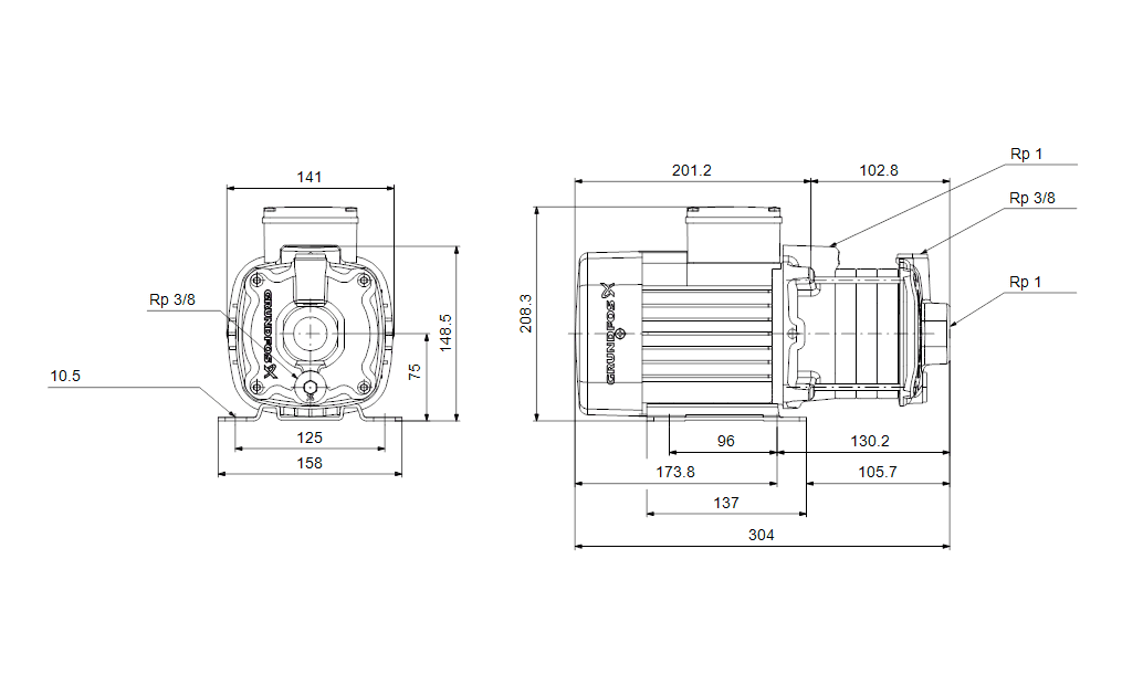
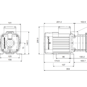
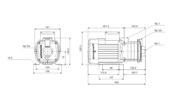
- Хидравлични връзки: Вътрешни Whitworth резби Rp (ISO 7/1)
Работни характеристики
- Работен флуид: Вода
- Температурен диапазон на флуида: -20°C до +90°C (избрана: 20°C)
- Плътност на флуида: 998.2 kg/m³
- Скорост на помпата: 2900 rpm
- Номинален дебит: 3.1 м³/ч
- Номинален напор: 20.61 m
- Измерен напор при калкулиран поток: 20.07 m
Електрически характеристики
- Мощност: 0.5 kW
- Фази: 1-фазен
- Напрежение: 220–240 V
- Честота: 50 Hz (неподходяща за 60 Hz)
- Номинален ток: 3.1–2.8 A
- Стартов ток: 530 %
- Скорост на двигателя: 2730–2740 rpm
- Клас на изолация: F
- Степен на защита: IP55
- Вградена защита: Термичен ключ (би-метален)
- Кабел: Не е включен
Инсталация
- Температура на околната среда: -20°C до +55°C
- Макс. работно налягане: 10 bar
- Налягане при 90°C: 10 bar
- Входна и изходна връзка: Rp 1″
- Позиция на изхода: 12 часа
Сертификати и стандарти
- Одобрения: CE, WRAS, ACS, EAC
- Толеранс на кривите: ISO 9906:2012 3B
- Минимален индекс на ефективност (MEI): 0.7
Тегло и опаковка
- Нетно тегло: 12 kg
- Брутно тегло: 14.5 kg
Марка
Производител Grundfos Дания
Помпите на марка Grundfos са известни с високата си надеждност, енергийна ефективност и дълъг живот. Grundfos предлага широка гама от решения за битови, търговски и индустриални приложения, включително циркулационни помпи, потопяеми помпи и бустерни системи. С иновативните технологии и интелигентните си функции, помпите Grundfos осигуряват оптимално водоснабдяване и управление на водата, като същевременно намаляват разходите за енергия. Изберете Grundfos за висококачествени и устойчиви решения за вашите нужди в областта на водоподаването и водоотвеждането.
За да публикувате ревю, трябва да сте logged in.





Отзиви
Все още няма отзиви.