Magna3 32-120F
MAGNA3 на Grundfos е циркулационна помпа с мотор с постоянен магнит, която перфектно удовлетворява изискванията на
приложения като отопление, охлаждане и циркулация на битова гореща вода, което я прави очевиден избор за почти всеки
проект за сградна инсталация – стар или нов.
Със своята уникална ефективност, богата продуктова гама и вградени комуникационни възможности плюс функционалности,
които заместват системни компоненти, MAGNA3 е идеален избор за собственици на сгради, инженери и възложители,
разработващи високопроизводителни системи за сгради.
MAGNA3 е с потопен ротор, т.е. помпата и двигателят образуват цялостен агрегат без уплътнение на вала. Използват се
само две гарнитури за уплътнение. Лагерите се смазват от работната течност.
Иновативната монтажна скоба само с един винт позволява лесна промяна на позицията на помпената глава.
MAGNA3 е помпа без изисквания за поддръжка и с изключително ниски общи разходи за цикъл живот.
Технически:
- Актуален калкулиран поток: 11.22 м³/ч
- Резултатен напор на помпата: 7.239 m
- Максимален напор: 120 dm
- Температурен клас на флуида: 110
- Одобрения върху табелката: CE,VDE,EAC,CNROHS,WEEE
- Модел: D
Материали:
- Помпен корпус: Чугун
- Помпен корпус: EN-GJL-250
- Помпен корпус: ASTM A48-250B
- Работно колело: PES 30%GF
Инсталиране:
- Диапазон на околната температура: 0 .. 40 °C
- Максимално работно налягане:10 bar
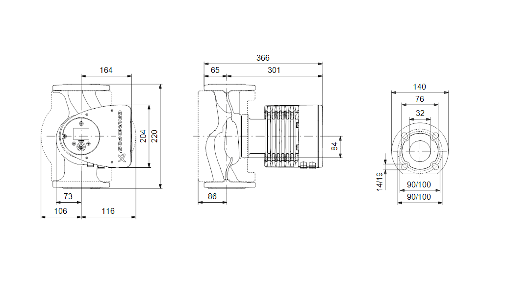
- Стандарт за фланците: DIN
- Тръбна връзка: DN 32
- Проектно налягане: PN 6/10
- Разстояние между входния и изходния фланец: 220 mm
Течност:
- Работен флуид: Вода
- Диапазон на температурата на течността: -10 .. 110 °C
- Избрана температура на течността: 60 °C
- Плътност: 983.2 kg/m³
Електрич. данни:
- Вход.мощност-Р1: 15 .. 333 W
- Основна честота: 50 / 60 Hz
- Номинално напрежение: 1 x 230 V
- Максимална токова консумация: 0.18 .. 1.55 A
- Степен на зашитеност (IEC 34-5): X4D
- Изолационен клас (IEC 85): F
Други:
- Енергия (EEI): 0.18
- Нето тегло: 15.2 kg
- Бруто тегло: 17.1 kg
- Обем за спедиране: 0.039 m³
Марка
Производител Grundfos Дания
Помпите на марка Grundfos са известни с високата си надеждност, енергийна ефективност и дълъг живот. Grundfos предлага широка гама от решения за битови, търговски и индустриални приложения, включително циркулационни помпи, потопяеми помпи и бустерни системи. С иновативните технологии и интелигентните си функции, помпите Grundfos осигуряват оптимално водоснабдяване и управление на водата, като същевременно намаляват разходите за енергия. Изберете Grundfos за висококачествени и устойчиви решения за вашите нужди в областта на водоподаването и водоотвеждането.
За да публикувате ревю, трябва да сте logged in.






Отзиви
Все още няма отзиви.